本文來自格隆匯專欄:半導體行業觀察,作者:鍾林
前世為何世,今生為何生,WiFi 6芯片到底為誰而生?
WiFi芯片走過了20年,既有前程可奔赴,亦有歲月可回首,歷經6代,從第一代802.11b走向未來WiFi7 802.11be。對於國內WiFi芯片公司而言,WiFi 6芯片正處在研發進行時。從數量上來看,國內WiFi 6芯片公司已超過50家,市場看好,資本熱捧,物聯網海量市場,似乎更多WiFi芯片公司也容得下。
事實如何,且看國產WiFi 6芯片走向何方。
在介紹國產WiFi 6芯片之前,我們先了解WiFi技術的起源。
WiFi無線網絡技術由澳洲政府的研究機構CSIRO在90年代發明,並於1996年在美國成功申請了無線網技術專利,專利發明人是悉尼大學工程系畢業生奧沙利文(Dr John O'Sullivan)領導的一羣由悉尼大學工程系畢業生組成的研究小組 。
實際上,早在1990年就有團隊來開始制定無線通信協議 802.11標準,這早於研究機構CSIRO的工作3年之久,不過最終的結果是研究機構CSIRO申請了專利。
IEEE曾請求澳洲政府放棄其無線網絡專利,讓世界免費使用Wi-Fi技術,但遭到拒絕。澳洲政府隨後在美國通過官司勝訴或庭外和解,收取蘋果、英特爾、聯想、戴爾、AT&T、索尼、東芝、微軟、宏碁、華碩等等公司的專利使用費。
到2010年,全球有30億台電子設備使用WiFi無線網絡技術,而到2013年底研究機構CSIRO的WiFi無線網專利過期,使用WiFi無線技術的電子設備增加到了50億+。
WiFi無線網絡被譽為澳洲有史以來最重要的科技發明,其發明人奧沙利文(Dr John O'Sullivan)被稱為”Wi-Fi之父“,並獲得澳洲的國家最高科學獎和全世界的眾多讚譽,其中包括歐盟機構,歐洲專利局,European Patent Office(EPO)頒發的European Inventor Award 2012,即2012年歐洲發明者大獎。
根據華為發佈的WiFi白皮書,可以看到WiFi技術的整個發展歷程。

圖源:華為WiFi白皮書
1997年,IEEE制定出第一個無線局域網通信標準802.11,允許設備之間以每秒2Mbps的速度無線傳輸數據。
1999年,IEEE又發佈了802.11b標準,傳輸速率為11Mbps,工作在2.4GHz頻段。同年IEEE又發佈了802.11a標準,不過是工作在5GHz頻段,數據傳輸率達到了54Mbps。
2000年,第一代WiFi芯片產品上市,具有11Mbps的最大數據速率,工作在2.4GHz頻段。
2003年,推出速度更快、距離覆蓋更廣的WiFi芯片產品,形成了802.11g標準,數據傳輸速度為54Mbps。
2009年,出現了802.11n協議標準,引入了“多輸入多輸出”數據 (MIMO),使用多個天線來增強發射和接收通信,最大連接速率為 600 Mbit/s。802.11n標準WiFi芯片一直使用至今,工作頻段在2.4GHz。
2014年,IEEE發佈了802.11ac,速度高達3.5 Gbps,但只支持5GHz頻段。
2019年,802.11ax由無線網絡標準的WiFi聯盟提出,同時支持2.4GHz和5.8GHz。IEEE也將802.11ax命名為WiFi 6,並將前兩代技術802.11n和802.11ac分別命名為WiFi 4和WiFi 5。在這之後,WiFi 6的前面才有新的命名WiFi 5、WiFi 4,但沒有WiFi 3/WiFi 2/WiFi 1;後面有WiFi 6E,WiFi 7。
WiFi 6速度高達9.6 Gbps,比WiFi 5的3.5 Gbps提高了近3倍。WiFi 6不但有WiFi 5的所有先進 MIMO 特性,WiFi 6下OFDMA和MU-MIMO的效果可以疊加,兩者呈現出一種互補關係,OFDMA適用於小數據包的並行傳輸提高信道利用率和傳輸效率,而MU-MIMO則適用於大數據包的並行傳輸,提高單用户的有效帶寬,同樣能減少時延。更高階的調製技術 (1024-QAM)、空分複用技術(SR)& BSS Coloring 着色機制、擴展覆蓋範圍 (ER),使得WiFi 6可以更好地實現更多設備連接,可將每台設備的速度至少提升4倍。
2020年,WiFi聯盟又宣佈了WiFi 6的擴展版WiFi 6E(E代表Extended),工作頻段除了原本的2.4GHz 、5GHz外,增加了6GHz頻段(5925-7125 MHz,共1.2 GHz帶寬),全新的6 GHz頻帶寬度為1.2 GHz,可容納7個160MHz的頻帶,或14個80MHz的頻帶。美國聯邦通信委員會將6GHz的1200 MHz免授權頻段分配給WiFi 6,歐盟則將6GHz的400MHz頻段分配給WiFi 6。
2021年,WiFi 7,即802.11be協議對外公佈。高通、博通、聯發科等芯片公司正在積極開發WiFi 7芯片。與WiFi 6的最多8個數據流相比,WiFi 7將支持16個數據流以及CMU-MIMO技術。其中,C代表Coordinated,意思是16個數據流可能不是由一個接入點提供,而是由多個接入點同時提供。其次,WiFi 7將繼續支持6GHz頻段,三個頻段可以同時連接工作,將單個信道的寬度從WiFi 6的160MHz擴展到320MHz。
WiFi 7還將信號調製方式升級為4096QAM,以擁有更大的數據容量。所以WiFi 7最終速度可以達到30Gbps,是目前推出的最快Wi-Fi 6速度9.6Gbps的三倍。

WiFi 6和WiFi 7的比較(圖源:華為官網)
智能手機領域是各大芯片廠商進入WiFi 6市場的重要入口,據市場調查機構Strategy Analytics的最新報吿顯示,到2021年,智能手機WiFi芯片市場規模將達43億美元,高通、博通和聯發科將佔據該市場前三名。
目前支持WiFi 6的手機SoC處理器包括高通的驍龍888、驍龍865,華為海思的麒麟9000/9000E、麒麟900、麒麟985,蘋果的A14,聯發科的天璣1000+,還有博通的WiFi 6芯片BCM4375模組。
然而,國產WiFi 6芯片是進不了智能手機市場的,只有博通的四合一模組憑藉其優異的性能指標獨善其身,否則都是集成在SOC處理器裏。
對於現在的國產WiFi 6芯片廠商來説,哪裏才是真正屬於他們的市場,是目前需要思考和解決的問題。除了智能手機市場,國產WiFi 6芯片究竟該走向何方?下面我們一起來分析和探討。
WiFi芯片廣泛應用在智能家居、智能監控,比如白色家電市場(冰箱、空調等)、模塊市場、燈具市場、智能音箱監控、門鈴、貓眼等產品。而其中網絡攝像機、智能插座、WiFi智能燈等應用的市場規模較大,是目前的主流智能家居產品。
NEST、小米、塗鴉智能、海爾、格力、美的等推出一系列智能家居產品。海外巨頭NEST在智能家居領域推出智能攝像頭、Hello智能可視門鈴、NEST耶魯鎖、Thermostat恆温器等。這些應用WiFi 4芯片就能滿足需求。WiFi 4只支持802.11n 2.4GHz頻段,需要升級到WiFi 6芯片嗎?
從現有的市場應用來看,是不需要WiFi 6芯片的,就像我們手機是5G還是4G,對現在的消費者來説都一樣。5G做到4G差不多的價格,更多的人才會選擇5G。同理,如果WiFi 6芯片做到WiFi 4芯片的價格,才會有市場。事實也如此,目前市場上出貨最多的還是WiFi 4芯片。
為了搶佔WiFi 4芯片市場,國產WiFi 6芯片公司正在推出2.4GHz WiFi 6單頻芯片,以同價的方式去替換WiFi 4芯片。在技術實現上也沒有太大難度,底層協議/通信協議和算法相對容易很多,射頻前端(PA+LNA+SW)也不需要真正做到 802.11ax的標準,滿足802.11n就行。
為了解決視頻傳輸的需求,WiFi 5芯片應用而生。WiFi 5芯片市場主要是智能手機、機頂盒市場、模塊市場、無人機與航模市場、遊戲機市場、電腦市場等等。
據中研普華產業研究院數據來源,2019年WiFi芯片市場規模為168億元,2020年市場規模上升至180.2億元,,預估2021年市場規模達到210.8億元。預計到2025年中國WiFi芯片市場規模將突破300億元,達到335.1億元,從2021年到2025年市場規模年平均複合增長率將達到12.2%。從出貨量角度來看,據Gartner數據,2020年全球WiFi芯片共出貨44億顆,預計2022年達到約49億顆。

數據來源:中研普華產業研究院
2021年12月31日,市場分析機構DIGITIMES Research公佈了2021年智能手機出貨量情況,全年出貨則約為13.2億部,年增僅6.1%。智能手機是WiFi芯片最大的市場,從出貨數量來看,佔比大約是30%。由於手機上基本採用WiFi5或者WiFi6芯片,銷售額預估佔據60%以上。
智能手機之外,WiFi 5芯片的數量佔比只有約20%,其中大部分來自WiFi 5路由器市場;近80%的出貨數量來自WiFi 4芯片。最終,20%的WiFi 5芯片將會被WiFi 6芯片替換。
近兩年,視頻傳輸、視頻監控、智慧城市等物聯網領域對WiFi芯片性能要求不斷提高,WiFi 6技術在VR/AR、超高清視頻等新型高速率應用場景具有高適用性,未來對此類應用的WiFi 6芯片將不斷增多。
有報吿指出,WiFi 6和WiFi 6E推動了智能手機Wi-Fi芯片市場,這些技術的迅速採用為WiFi芯片廠商提供增長機會,帶動WiFi6/WiFi6E路由器和物聯網領域的發展,使得國產路由器WiFi6芯片迎來春天。從路由器市場來看,2019年國內WiFi 6路由器芯片市場規模約為5.3億元,2023年預計突破百億。作為國產路由器WiFi 6芯片的領頭羊矽昌通信在2022年將推出國內首款WiFi 6路由器芯片。這個以前無人問津的賽道也引來了新的創業公司,實力不可小覷。
在手機WiFi 6市場,博通是除基帶芯片廠商之外唯一的供應商,博通與蘋果合作,iPhone 13採用博通產品。此外,博通的BCM4375產品已經應用在三星S20系列手機上。博通在高端WiFi芯片領域一直保持領先地位,早在2020年面向智能手機移動平台,博通就發佈了全球首款WiFi 6E芯片BCM4389,採用16nm工藝,數據傳輸率達到2.4Gbps。這個市場,國產WiFi 6芯片廠商短期內只能旁觀。
在競爭激烈的WiFi 賽道,國產芯片廠商都在尋找新的細分市場切入點,除了高通、博通、聯發科等國際大廠,國內樂鑫科技、博通集成、翱翔科技、博流等WiFi芯片廠商也在加緊佈局WiFi 6市場,樂鑫科技和博通集成已推出了支持WiFi 6物聯網芯片。盤啟微利用在無人機領域做到第一的優勢加速研發WiFi 6芯片。珠海泰芯基於Wi-Fi聯盟和IEEE推出的低功耗、長距離的Wi-Fi HaLow™ 新標準研發WiFi芯片,同時藉助於其市場優勢積極入局WiFi 6芯片。
近來,不斷有國內MCU廠商找到三伍微,希望能一起配合WiFi射頻前端芯片,三伍微在WiFi FEM性能和成本上都具有優勢。
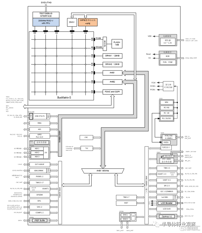
樂鑫科技從WiFi成功走向了MCU,國內MCU卻正在走向WiFi 6。國內MCU廠商甘堯電子就是其中之一,甘堯電子開發的G32L473xx系列MCU集成WIFI協議棧及AFE前端收發器,WiFi射頻前端外掛三伍微WiFi FEM。

WiFi 6 MCU系統框圖
2020年,國內MCU公司中穎電子出貨量超過6億顆,兆易創新MCU出貨量接近2億顆,雖然樂鑫科技出貨量只有1.34億顆,但在物聯網WiFi MCU市場份額(按銷量)佔比達30%,位居全球第一,樂鑫科技2020年歸屬於上市公司股東的淨利潤約為1.04億元,營業收入約為8.31億元。從MCU的業務收入來看,中穎電子領先於兆易創新與樂鑫科技,2020年中穎電子MCU營業收入達9.5億元。

來源:公司財報
近幾年來物聯網技術蓬勃發展,智能音箱、智能家電(智能冰箱,洗衣機)、掃地機器人、WiFi連接、工業設備接口等新鮮物件層出不窮,而WiFi MCU芯片領域就是實現物聯網的關鍵器件。
2021年9月,兆易創新宣佈將推出WiFi MCU產品,以圍繞MCU生態完善解決方案為目的,圍繞公司核心的、通用的MCU業務和客户需求配套打造。這就意味着兆易創新正式進入WiFi 6 MCU領域。
從市場佈局來看,兆易創新MCU產品主要應用於汽車電子、工業等領域;中穎電子產品主要應用於小家電領域;樂鑫科技產品則主要應用於物聯網領域。隨着車聯網和工業物聯網的興起,兆易創新WiFi 6 MCU將正在這一領域具備優勢。這幾年智能家電發展也非常迅猛,作為小家電領域的MCU老大,中穎電子的戰略佈局非常聚焦,對生態也有自己深刻的認知,通過收購瀾至科技WiFi業務,橫向整合帶動協同效應,加入到WiFi 6 MCU賽道。
從目前來看,WiFi 6 MCU產品研發,樂鑫科技更勝一籌,在研發技術水平和工藝上都處於領先地位。短距離通信是物聯網未來的主要連接方式,而WiFi又是短距離通信的主要應用技術,高性價比的WiFi MCU將會是趨勢,且WiFi 6和MCU的集成過程中,WiFi 6技術難度更高。
從國內外企業來看,WiFi業務的收購可以加強他們在物聯網、智能家居、智慧城市等方面的佈局,從整個行業來看,對形成當前WiFi 6 MCU的市場格局起到了一定的影響作用,使得WiFi 6 MCU加速進入工業和消費類市場的全新物聯網應用領域。

來源:網絡
潮來潮往,世界變遷。科技發展,萬物互聯。5G和WiFi 6,一個改變世界,一個改變生活。
在國產WiFi 6芯片的創業大潮中,多少歲月已流走,多少時光一去不回頭,又有多少芯片公司加入其中。如果國產WiFi 6芯片能在這一次資本浪潮下成長起來,把握好時代賦予的機遇,那將收穫滿滿。
最後給大家分享一個經典的故事:19世紀美國西部淘金熱的時候,來自全世界的投機者,一窩蜂地湧入加利福尼亞州、俄勒岡州等地去淘金,希望一夜暴富。淘金的人那麼多,相互競爭也很激烈,最後一夜暴富的是少數,大多數人空手而歸,有些甚至傾家蕩產。不過,也有一部分人來到西部賣鏟子,潮水退去,賺得最多的是“賣鏟子”的人。
在WiFi 6芯片創業熱中,最終誰賺錢最多?也許是CEVA。
